Piston : Pengertian, Bagian, Cara Kerjanya
Batang Piston
Batang piston adalah komponen engine yang harus kuat terhadap tekanan. Komponen ini berfungsi meneruskan gerakan lurus dari piston menjadi gerakan putar pada poros engkol oleh karena batang piston harus mempunyai ketahanan meksimum terhadap tekanan dan padat, namun pada saat yang bersamaan batang piston juga harus ringan agar kerugian tenaga gerak dapat di minimalkan.
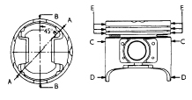
Perhatikan Gambar 1. yang memperlihatkan tipe batang piston dan nama bagian-bagianny. Batang piston dibentuk dengan formasi “H” atau “I” 0,7 – 1,0 Gpa tensile steel, hal ini akan memberi kekuatan pada batang piston namun tetap ringan. Ujung kecil batang piston terdapat bushing sebagai tempat pemasangan pena piston terhadap batang piston. Pada bagian yang berlawanan dengan ujung kecil terdapat ujung besar dan terpasang dan berputar pada pena engkol poros engkol. Ujung besar batang piston terdiri dari dua bagian agar dapat dengan mudah memasangnya terhadap pena engkol. Baut pengikat batang piston dibuat dengan kekuatan yang telah ditetapkan pabrik dan diameter ujung besar di buat sesuai ukuran. Proses pemasangan metal sisipan pada ujung besar terdapat crush sesuai dengan spesifikasi dan pada tutup ujung besar dan pada ujung besar terdapat alur pengunci metal sisipan, hal ini untuk mencegah metal sisipan tidak ikut berputar, apabila poros engkol berputar.
Beberapa batang piston di buat lubang di bagian tengah yang dapat menyalurkan oli pelumas ke pena piston, dan tipe lainnya dilengkapi dengan sendok penyemprot oli ke pena piston, camshaft dan dinding silinder.
Piston
Piston di buat dengan beberapa fungsi diantaranya sebagai tempat cincin piston untuk merapat pada dinding silinder dan fungsi lainnya adalah untuk mengarahkan tenaga pembakaran ke batang piston dan poros engkol.
Design Piston
Piston didesign untuk memiliki karakteristik berikut ini : Dapat menghantarkan panas dengan baikKuatTahan terhadap gesekanRinganLihat Gambar 2. yang memperlihatkan piston dan bagian-bagiannya.
Pada umumnya piston terbuat dari bahan paduan aluminium, namun mempunyai nilai pemuaian yang tinggi oleh karena itu bentuk piston menjadi komplek.
Pada mulanya piston di buat dari bahan Besi tuang kelabu karena sangat baik terhadap gesekan dan nilai pemuaiannya rendah, namun kerugian utama dengan bahan ini adalah piston menjadi lebih berat. Karena masalah ini maka piston yang terbuat dari bahan besi tuang kelabu hanya cocok untuk engine putaran lambat, dimana tenaga yang tersimpan pada piston di harapkan akan berhenti diakhir setiap langkah, maka hal ini sulit bagi piston yang berbobot berat.
Konstruksi Piston
Piston di buat dalam berbagai bentuk. Kepala piston secara dasar mempunyai 4 bentuk. Bentuk kepala piston akan disesuaikan dengan ruang bakarnya untuk memaksimumkan efisiensi.
Piston yang terbuat dair bahan aluminium mempunyai tingkat pemuaian yang cepat dan tidak dapat diprediksi. Piston dapat saja memuai secara berlebihan pada sisi yang tidak tepat dan menggores dinding silinder. Untuk menghindari hal ini pabrik telah mencari metoda untuk dapat mengontrol pemuaian tersebut. Metode yang banyak digunakan adalah cam grinding, namun metoda steel struthing dan barrel shape masih tetap digunakan.
Cam Grinding
Cam ground todak adalah diamter piston pada sisi kerja adalah lebih besar dari diameter skrit pada garis yang sama dengan pena piston. Pada saat piston masih dingin maka sisi piston yang ada panahnya akan berhubungan dengan dinding silinder. Setelah piston menerima panas dan temperaturnya menjadi naik, maka sisi skirt di sekitar boss pena piston mempunyai tingkat pemuaian yang lebih besar kemana pada bagian terdapat banyak bahan metal.
Apabila piston telah mencapai temperatur kerja maka sisi skirt akan kontak terhadap dinding silinder.
Keuntungan cam grinding dapat meminimumkan celah antara piston dengan dinding silinder pada saat engine dingin maupun panas. Perhatikan Gambar 5 dan 4 yang mengilustrasikan efek cam grinding.
(Cam Ground piston semakin panas, pengembangan skirt akan memperbesar sisi kontak truk terhadap dinding silinder).
Steel Strut Piston
Invar strut piston adalah yang luas digunakan. Dua atau empat nickel-baja strut di cor secara menyatu dengan piston, menghubungkan sisi skirt ke boss pena piston.
Nickel-Baja yang di kenal “Invar” mempunyai koefisien dan tingkat pemuaian panas yang sangat rendah.
Beberapa piston mempunyai slot horizontal untuk mencegah panas mengalir ke bawah ke daerah skirt. Invar strut mencegah pemuaian skirt yang tegak lurus terhadap pena piston. Tujuan hal ini adalah untuk mengarahkan pemuaian piston segaris dengan pena piston.
Perhatikan Gambar 5. yang memperlihatkan piston dengan baja struts.
Gambar 5 : Piston dengan Baja Struts
Barrel Shaped
Barrel akan membentuk piston sehingga bagian atas piston lebih kecil dari pada bagian bawah. Apabila bagian atas piston menerima panas dan temperaturnya naik, hal ini akan mengakibatkan nilai pemuaiannya akan menjadi besar, dan bagian atas piston akan menjadi parallel dengan bagian bawah.



